Fondations pour projets photovoltaïques et structures métalliques

Prédimensionnement · Dimensionnement EXE · Optimisation · Audit indépendant

Structure métallique photovoltaïque sur chantier
Pictogramme ombrière photovoltaïque

Ombrières

Pictogramme hangar agricole photovoltaïque

Hangars agricoles

Pictogramme centrale photovoltaïque au sol

Centrales au sol

Une ingénierie dédiée au photovoltaïque

Repère Ingénierie a une activité majoritairement orientée vers les fondations de projets photovoltaïques et structures métalliques associées. Cette spécialisation permet une approche cohérente, répétitive et maîtrisée face aux contraintes géotechniques, économiques et réglementaires du secteur.

En savoir plus

Services d’ingénierie pour fondations photovoltaïques

Prédimensionnement

Prédimensionnement sommaire, estimation des sections et des volumes de fondations pour estimations et chiffrage des projets.

Dimensionnement

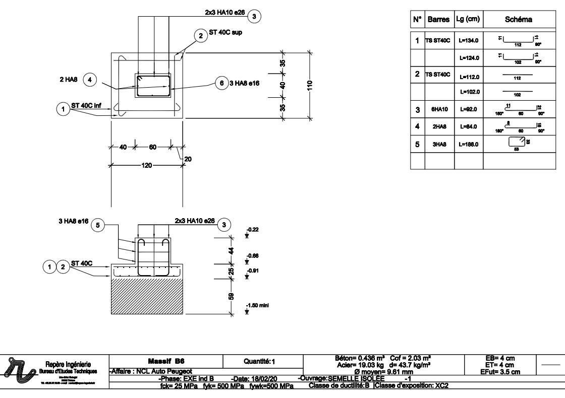
Dimensionnements, plans et notes de calcul pour fondations de structures métalliques en phase EXE.

Optimisation

Recherche d’un équilibre entre sécurité réglementaire, faisabilité chantier et performance économique des fondations.

Conseils et assistance technique

Assistance technique pour équipes de maître d’œuvre et maître d’ouvrage. Analyse et vulgarisation des pièces projets : études géotechniques, charges et pièces de charpente.

Audit indépendant

Analyse technique structurée de vos études de fondations avant lancement des travaux. Estimation des éventuels sur ou sous-dimensionnements.

Formation

Sensibilisation et formation aux principes de dimensionnement, à la lecture des études et aux points de vigilance sur les fondations photovoltaïques.

Études et ingénierie des fondations photovoltaïques

Analyse cohérente des interactions sol / charges / béton armé, production de livrables clairs et structurés pour la validation technique et le pilotage des projets.

Intervention sur l’ensemble de la chaîne étude, depuis le prédimensionnement jusqu’à l’exécution, avec une lecture orientée faisabilité, optimisation et sécurité.

Fondations photovoltaïques en phase chantier
Pictogramme fondations superficielles

Fondations superficielles

Pictogramme fondations semi-profondes

Fondations semi-profondes

Pictogramme fondations profondes

Fondations profondes

Fondations photovoltaïques : de l’estimation à l’exécution

Repère Ingénierie intervient sur les fondations de projets photovoltaïques et structures métalliques associées, depuis les phases de prédimensionnement jusqu’aux études d’exécution. L’objectif est d’apporter une lecture technique claire des hypothèses géotechniques, des charges, de la structure et des contraintes de chantier afin de proposer des solutions cohérentes, constructibles et économiquement maîtrisées.

L’activité couvre notamment les ombrières photovoltaïques, les hangars agricoles et les centrales au sol, avec une attention particulière portée à la lisibilité des études, à l’optimisation des fondations et à l’identification des éventuels sur ou sous-dimensionnements.

En savoir plus

Audit technique indépendant des fondations photovoltaïques

Vérification de la cohérence des hypothèses et identification des points de vigilance avant lancement travaux.

  • Analyse sol / charges / dimensionnement
  • Identification des points sensibles et des écarts
  • Recherche des sur ou sous-dimensionnements et des optimisations potentielles
  • Synthèse technique actionnable
  • En savoir plus

Réalisations en fondations photovoltaïques et structures métalliques

Ombrière photovoltaïque en phase exécution

Ombrière photovoltaïque – Phase EXE

Hangar agricole avec structure métallique

Hangar agricole – Dimensionnement fondations

Centrale au sol et fondations photovoltaïques

Centrale au sol – Audit technique

Vous intervenez sur un projet photovoltaïque ?

Échangeons sur votre besoin en phase étude, exécution, audit ou assistance technique.

Parlons de votre projet

Nous pouvons échanger sur vos besoins de prédimensionnement, de dimensionnement EXE, d’audit ou d’assistance technique.

Nous contacter
📍

Adresse

Repère Ingénierie
18 route de Cavillac
24750 Trélissac
Périgueux / Dordogne

📞

Téléphone

05 24 17 16 69